- Giới thiệu |
- Tin tức |
- Blog |
- Video |
- Đặt hàng |
- Shopee |
- Lazada |
- Tiktok |
- Tuyển dụng |
- Liên hệ |
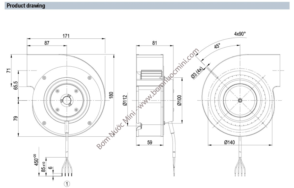
Quạt sò ly tâm AVC đến từ Đức, là sản phẩm đã qua sử dụng nhưng vẫn đảm bảo chất lượng vượt trội. Vỏ quạt được chế tạo từ kim loại, bền bỉ và đáng tin cậy.
🌟 Tại Sao Nên Chọn Quạt AVC?
Hiệu suất cao: Lưu lượng không khí lớn, lý tưởng cho nhiều ứng dụng.
Độ bền vượt trội: Thiết kế bằng kim loại và vòng bi kép cho tuổi thọ dài lâu.
Ứng dụng đa dạng: Thích hợp cho các hệ thống thông gió và làm mát.

XEM DATASHEET Đã gặp!
🔧 Thông Số Kỹ Thuật:
Model: BA18080B48U
Điện áp làm việc: 48VDC
Dải điện áp: 36V-57V
Công suất đầu vào: 31.68W
Tốc độ: 5500 r/min
Lưu lượng không khí tối đa: 187 m³/H
Nhiệt độ hoạt động: -20 °C đến 80 °C
Áp suất tối đa: 0..450 Pa
Chỉ số tiếng ồn: 38 dB(A)
Vòng bi: Vòng bi kép
Trọng lượng: 1.3kg
 

